ams AS1163B Automotive 6-output Stand-Alone Intelligent LED Driver IC

수명 January 2036

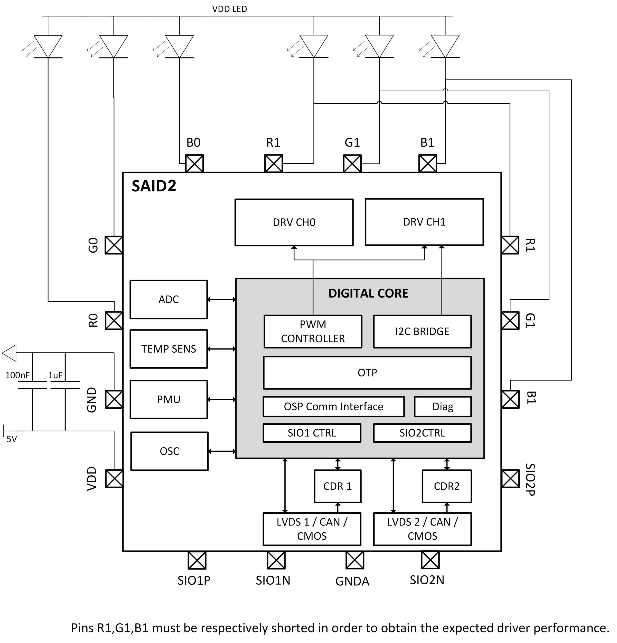
설명

AS1163B is a mixed signal silicon device optimized for automotive dynamic lighting applications (interior, exterior, smart surface etc.). The basic purpose of AS1163B is to drive 6 LEDs organized in 2 channel triplets (RGB) or simply 6 single-color LEDs with an independent PWM dimming dynamic range up to 16 bits. AS1163B is often addressed with a different name: “SAID2”, an acronym which stands for Stand-Alone Intelligent Driver with 2 RGB triplets.

A daisy chain configuration of multiple AS1163B devices will enable cost effective implementation of complex dynamic lighting effects. AS1163B supports single layer slim PCB designs.The communication protocol supported by AS1163B (OSP: Open System Protocol) is fully compatible with the ams OSRAM OSIRE E3731i. AS1163B will support additional features such as I²C gateway, parallel connection, power-rail feedback, analog readout. Each AS1163B device in the chain will be usable by the MCU to read and write an external I²C device, e.g. EEPROM, temperature sensor, Ambient Light Sensor.

세부 정보

조건

Package
QFN16
Interface
input
OSP
output
OSP
Output signal
PWM
Package dimension
h
0.85 mm
l
3 mm
w
3 mm
Supply voltage
5 V
min.
4.3 V
max.
5.5 V
Current
IF max.
48 mA
Number of current sinks
6

주문 정보

제품 유형 설명 주문 코드 재고 여부
AS1163B-AQFM 1k pcs/reel Q65113A9901 완전 가동 생산
AS1163B-AQFT 5k pcs/reel Q65113A9390 완전 가동 생산

다운로드