ams AS1340 Boost Converter

Discontinued
×
Discontinued

Description

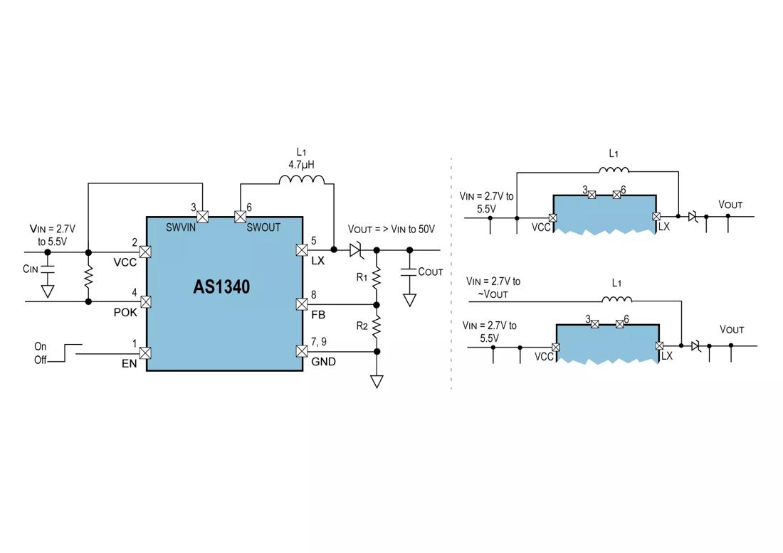
The AS1340 is a hysteretic boost converter, capable of 1.2W output off 3.3V input. With efficiencies up to 90%, the device operates from 2.7V to 5.5V input to generate 2.7V to 50V output.

Details

Features

  • Input 2.7V to 50V
  • 1W output up to 36V
  • 90% efficiency

Benefits

  • Wide input voltage
  • Industrial power rails
  • Good thermal performance

Downloads