ams AS1917 Supervisor IC

Discontinued
×
Discontinued

Description

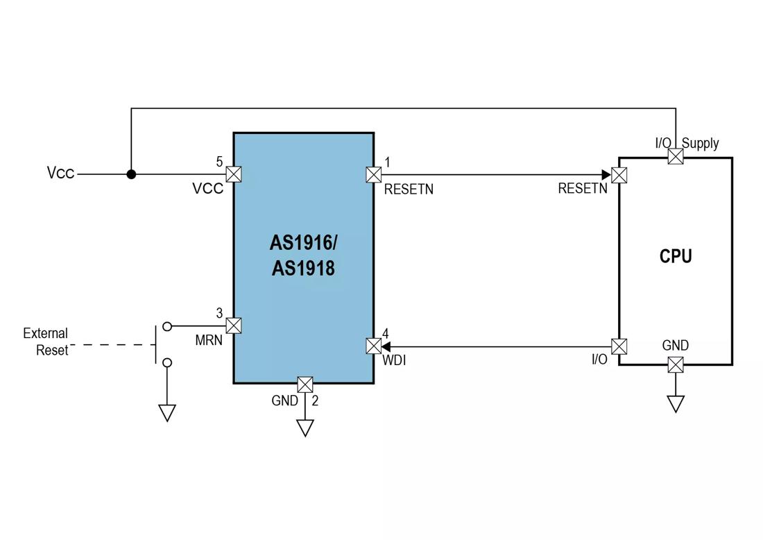
The AS1917 (push-pull driver with active high reset) is a supervisor with manual reset and watchdog. Reset thresholds are factory programmable between 1.8V and 3.6V in steps of 100mV. The duration of the reset is fixed at 215ms, watchdog timeout is 1.5s. The device operates down to 1V.

Details

Features

  • No external components
  • Integrated watchdog

Benefits

  • Small BOM
  • Blocks runaway code

Application fields

Downloads