ams AS3729B Power Management Unit

Ordering and shipping still possible
×
Ordering and shipping still possible

Description

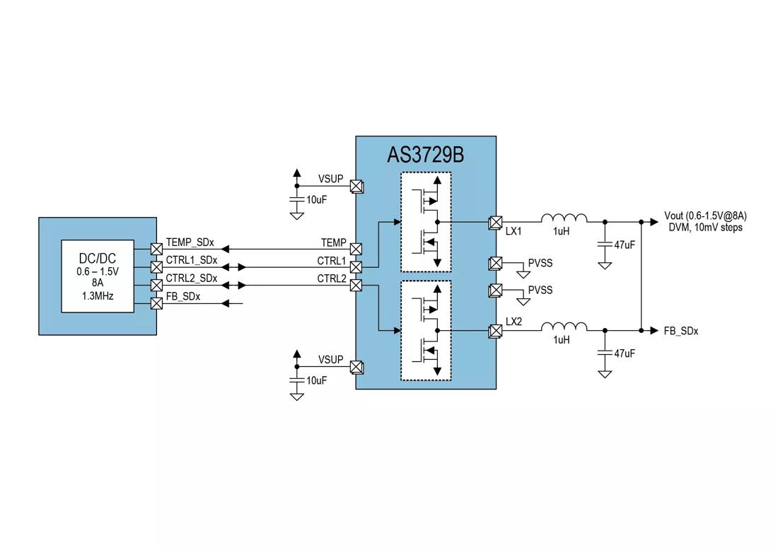
The AS3729B is a companion chip for the AS3715/21/22 PMICs containing control circuitry and power FETs for 2 phases. Up to 4 ICs can be used in parallel to achieve 32A drive capability.

Details

Features

  • 2 phases with separate control input
  • Separate power NMOS and PMOS for 4A per phase
  • Stand-alone zero-crossing operation
  • Integrated temperature monitoring
  • WL-CSP16: 1.615mm x 1.615mm, 0.4mm pitch

Benefits

  • Support for single or dual operation
  • 2 x 4A output stages are running on 2.7MHz
  • Overtemperature protection
  • Cost effective, small package

Downloads