ams AS5048B High Resolution Position Sensor

Description

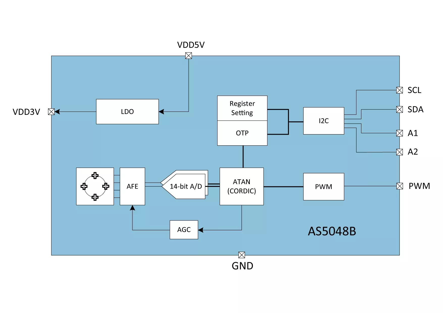
The AS5048B is a 14-bit rotary position sensor (previously known as encoder) for absolute angular measurement and with a PWM (=pulse width modulation) output over a full turn of 360° based on contactless magnetic sensor technology. This device fits perfectly for on-axis applications where a simple 2-pole magnet rotates above or below the sensor IC and the zero position can be programmed into the device simply with a I²C command. The absolute magnet angular position is measured with a resolution of 14 bit = 16384 positions per revolution and it is provided as a digital value on the serial interface (I²C).

With two decades of magnetic sensor system know-how, we have broad experience in selecting the most suitable magnets. ams experts recommend the following magnet suppliers.

Details

Features

  • Contactless absolute angle position measurement
  • 14-bit resolution (16384 positions/revolution)
  • In system programmable zero position via I²C command
  • Immune to external magnetic stray fields

Benefits

  • Highest reliability and durability in harsh environments
  • High precision
  • Great flexibility during assembly (no external programmer needed)
  • Lower material cost (no magnetic shielding needed)

Parameters

Resolution
14 bit
Interface
output
I²C
PWM
Die in package
single
Supply voltage
3.3 V
5 V
Operating ambient temperature
min.
-40 °C
max.
150 °C
Package
TSSOP14
Accuracy typ.
0.5 °
Function
on-axis angle position sensing
Sensing technology
magnetic

Ordering information

Downloads